In recent years, the wide use of renewable energy and its acceptance has been a great success. This tremendous achievement can be credited to the increased global awareness and acknowledgment of the impact of carbon-based fuels on the environment, and the integrability of the variable renewable energy (wind power and photovoltaic) to existing power grid systems. As such, the penetration of flexible high voltage DC(HVDC) transmission technology in the smart grid has greatly impacted the configuration of power systems. Well, it is widely known that the high penetration of renewable energy and AC-DC hybrid systems are doubtlessly two essential features of future power systems and will ever change the configurations of power systems.
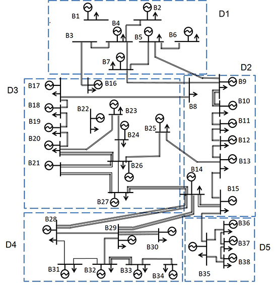
The test systems that reflect the true feature of a real power system are vital tools in this research area. nonetheless, there lacks a standard test system for modern transmission expansion planning research, specifically under high variable renewable energy domain. To address this, researchers from the Tsinghua University in China: Zhenyu Zhuo (PhD candidate), Dr. Ning Zhang, Jingwei Yang and Professor Chongqing Kang in collaboration with Charlie Smith at the Energy Systems Integration Group in the United States and Dr. Mark O’Malley and Dr. Benjamin Kroposki from the National Renewable Energy Laboratory in Colorado developed a new 38-bus TEP test system based on a real regional power grid in China with high variable energy penetration: the HRP-38 system. “HRP” stands for high renewable penetration. They aspired to introduce a transmission expansion planning (TEP) dedicated test system with the feature of high variable renewable energy prediction and AC-DC hybrids. Their work is currently published in the research journal, IEEE Transactions on Power Systems.
The researchers proposed a test system that considered high VRE penetration of more than 30% energy share, which would be an important feature in many power systems in the future. In the proposed approach, both AC and DC candidate lines were given to provide sufficient transmission planning alternatives. The complexity of the test system was well balanced considering calculation tractability and the ability to test the performance of the TEP planning model. The network topology, generation mix, and load characteristics were also described in detail. The investment cost of transmission assets, detailed parameter of units and other necessary information required for TEP are provided explicitly in the dataset. The codes for operation simulation applied in this paper is uploaded in the dataset linkage. Based on the programs, researchers can compare their customized planning scheme with the benchmarks present in this paper.
The authors reported that their variable renewable energy output was able to satisfy 30.1% of the load energy demand. Additionally, both AC and DC candidate lines were given to provide sufficient transmission planning alternatives. Indeed, the intricacy of the test system was seen to be well balanced considering calculation tractability and the ability to test the performance of the TEP planning model.
In summary, the study presented a 38-bus test system i.e. the HRP-38 system, dedicated to TEP. Overall, the contribution of the study was in two folds: first, the development of a medium size test system that includes hourly variable renewable energy data and an AC-DC hybrid candidate branch set, and second, the provision of several TEP schemes with different optimization settings, that could offer a benchmark with which different studies could be directly compared. In a statement to Advances in Engineering, Professor Chongqing Kang highlighted that the developed system could facilitate comparisons and collaborations between different TEP studies worldwide.
This work is one of the outcomes of a five-year Major Project under National Key Research and Development Program of China, named Fundamental Theory of Planning and Operation for Power Systems with High Share of Renewable Energy Generations (No. 2016YFB0900100), leading by Professor Chongqing Kang. The project addresses two challenges in high penetration renewable energy system: 1) how to address significant uncertainty and risks brought by the stochastic and intermittent renewable energy into the power system planning and operation. 2) the unknown control mechanisms and stability problems in power system operation due to the heavy integration of converter based renewable energy and DC transmission systems.






Zhenyu Zhuo (S’17) received B.S. from the School of Electrical and Electronic Engineering in Huazhong University of Science and Technology, Wuhan, China in 2017. He is currently pursuing the Ph.D. degree in Tsinghua University. His research interests include power system planning, renewable energy and AC/DC hybrid system.
.
Ning Zhang received both B.S. and Ph.D. from the Department of Electrical Engineering in Tsinghua University, Beijing, China in 2007 and 2012, respectively. He was a research associate in The University of Manchester from Oct. 2010 to Jul. 2011 and a research assistant in Harvard University from Dec. 2013 to Mar 2014. He is currently an Associate Professor in Tsinghua University.
His research interests include multiple energy systems integration, renewable energy, power system planning and operation, and data-driven analytic of power system. He is an IEEE Senior Member and Cigre Member. He was awarded The World Federation of Engineering Organizations (WFEO) Young Engineers for UN Sustainable Development Goals in 2018, and Young Elite Scientists Sponsorship Program by Chinese Association of Science and Technology in 2016. He serves as the editor of several top-tier journals including IEEE Transactions on Power Systems.
Jingwei Yang (S’15) received the B.S. degree from the Electrical Engineering Department of Tsinghua University in China in 2015. He is currently pursuing Ph.D. degree in Tsinghua University. His research interests include multiple energy system integration, renewable energy and optimal power flow analysis.
.
Chongqing Kang received the Ph.D. degree from the Department of Electrical Engineering in Tsinghua University, Beijing, China, in 1997. He is now Professor and Dean of Department of Electrical Engineering in Tsinghua University, President of Tsinghua University Energy Internet Research Institute, and President of Tsinghua Sichuan Energy Internet Research Institute.
His research interests include power system planning, power system operation, renewable energy, low carbon electricity technology and load forecasting. He is an IEEE Fellow, IEEE Distinguished Lecturer and IET Fellow. He was awarded the National Science Fund for Distinguished Young Scholars, the Leading Talents in Scientific and Technological Innovation of the “Ten Thousands Talents Plan”, New Century Excellent Investigator in Universities, and selected for the Program of the Fok Ying-Tong Education Foundation. He was a visiting scholar at University of Cambridge, UK from 2007 to 2008.
Charlie Smith received the B.S.M.E. and M.S. degrees from Massachusetts Institute of Technology, Cambridge, in 1970. He currently serves as the Executive Director of the Energy Systems Integration Group (ESIG). Previously, he served as President of Electrotek Concepts, a power engineering consulting firm. He has over 45 years of experience in the electric power industry. Mr. Smith is a member of the IEEE Power and Energy Society; a member of CIGRE, the International Council on Large Electric Systems; a US representative to the IEA Wind Annex Task 25 on Design and Operation of Power Systems with Large Amounts of Wind Power, and a Life Fellow of the IEEE.
Mark J. O’Malley is the Chief Scientist with the Energy Systems Integration, National Renewable Energy Laboratory, USA. He is on sabbatical from University College Dublin. In 2017, he was the James M. Flaherty Visiting Professor with McGill University, Montreal, Canada. He is a Foreign Member of the U.S. National Academy of Engineers and a member of the Royal Irish, a Fellow of the Institute of Electrical and Electronic Engineers, and has received two Fulbright Fellowships. He serves as chair of the Research and Education Working Group within the Energy Systems Integration Group. He is the co-founder of the European Energy Research Alliance, Joint Programme in Energy Systems Integration, and the founder of the Electricity Research Centre at UCD. He is a world authority on energy systems integration, in particular on the integration of renewable energy technologies.
Benjamin Kroposki received the B.S. and M.S. degrees in electrical engineering from Virginia Tech, Blacksburg, VA, USA, and the Ph.D. degree from Colorado School of Mines, Golden, CO, USA. He is currently the Director of the Power Systems Engineering Center, National Renewable Energy Laboratory, Golden, CO, USA. His research interests include design, testing, and integration of renewable and distributed power systems. As an IEEE Fellow, Dr. Kroposki was recognized for his leadership in renewable and distributed energy systems integration. He has served on a number of IEEE technical standards working groups and chaired IEEE 1547.4, the first international standard on microgrids.
Reference
Zhenyu Zhuo, Ning Zhang, Jingwei Yang, Chongqing Kang, Charlie Smith, Mark J. O’Malley, Benjamin Kroposki. Transmission Expansion Planning Test System for ACDC Hybrid Grid with High Variable Renewable Energy Penetration. IEEE Transactions on Power Systems.


